トップページへ

三菱電機 HF-JP2034B サーボモータ HF-JPシリーズ 400Vクラス 電磁ブレーキ付 低慣性・中容量 定格出力容量 2.0kW 慣性モーメント 5.42J NN

   

 


 

 


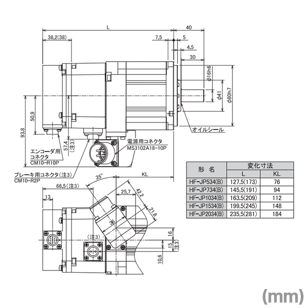
納期目安1〜2ヶ月 [サーボモータシリーズ] HF-JP 3000r/min シリーズ(低慣性・中容量) 400V クラス [サーボモータ形名 HC-JP] 2034B [対応サーボアンプ形名 MR-J3-] 200A4/B4(-RJ006)/T4 [電源設備容量(注1)(kVA)] 3.5 [連続特性]  定格出力容量(W) 2.0  定格トルク(注7)(N・m) 6.37 [最大トルク(N・m)] 19.1 [定格回転速度(r/min)] 3000 [最大回転速度(r/min)] 6000 [瞬時許容回転速度(r/min)] 6900 [連続定格トルク時のパワーレート(kW/s)] 82.4 [定格電流(A)] 5.4 [最大電流(A)] 17 [回生ブレーキ頻度(回/分)(注2)] 203 [慣性モーメント] J(×10-^4 kg・m^2 ) 5.42 [推奨負荷慣性モーメント比] サーボモータ慣性モーメントの10倍以下 [速度・位置検出器]  アブソリュート・インクリメンタル共用18ビットエンコーダ  (サーボモータ1回転あたりの分解能:262144 p/rev) [装備品] オイルシール [絶縁階級] F種 [構造] 全閉自冷(保護等級:IP67)(注3) [環 境(注5)]  周囲温度 0〜40℃(凍結のないこと),保存:-15〜70℃(凍結のないこと)  周囲湿度 80%RH以下(結露のないこと),保存:90%RH以下(結露のないこと)  雰囲気  ・屋内(直射日光が当たらないこと),  ・腐食性ガス・引火性ガス・オイルミスト・塵埃のないこと  標 高 海抜1000m 以下  振 動(注4) X:24.5m/s^2 Y:24.5m/s^2 [質 量(kg)] 8.9 [最大トルクアップ時 (注6)]  対応サーボアンプ形名  MR-J3- 350A4/B4(-RJ006)/T4-U114  最大トルク (N・m) 25.5  最大電流 (A) 22 注) 1. 電源設備容量は電源インピーダンスにより変わります。

2. 回生ブレーキ頻度はモータ単体、回生オプションなしで定格回転速度から減速停止する場合の許容頻度を示します。

ただし、負荷を付けた場合、表の1/(m+1)になります(m-不可慣性モーメント/モータ慣性モーメント) また、定格回転速度を超える場合、回生ブレーキ頻度は(運転速度/定格速度)の2乗に反比例します。

運転回転速度が頻繁に変わる場合や、上下送りのように常時回生状態となるような場合は、運転時の回生発熱量(W)を求めて許容回生電力(W)を超えないようにしてください。

3. 軸貫通部を除きます。

4. モータ停止時はベアリングにフレッティングが発生しやすくなりますので、振動を許容値の半分程度に抑えてください。

5. 常時オイルミストや油水がかかる環境では、標準仕様のサーボモータは使用できない場合があります。

6. 組み合わせるサーボアンプを変更することで、最大トルクを定格トルクの300%から400%に上昇させることができます。

7. 昇降軸のようにアンバランストルクが発生する機械では、アンバランストルクが定格トルクの70%以下で使用することを推奨します。

  • 商品価格:204,563円
  • レビュー件数:0件
  • レビュー平均:0.0(5点満点)

楽天で購入

トップページへ

モーメント 関連ツイート


TOP