トップページへ

三菱電機 HG-RR353B サーボモータ HG-RRシリーズ 超低慣性・中容量 電磁ブレーキ付 定格出力容量 3.5kW 慣性モーメント 11.8J NN

   

 


 

 


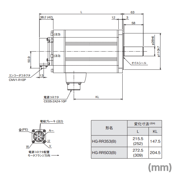
納期目安2〜2.5ヶ月 [製品シリーズ] HG-RRシリーズ(超低慣性・中容量) [タイプ] サーボモータ(超低慣性、中容量) 電磁ブレーキ付き [製品形名] HG-RR353B [対応サーボアンプ(全機種)] - [電源設備容量 [kVA]] 5.5 [連続特性]  定格出力容量 (kW) 3.5  定格トルク [N・m] 11.1 [最大トルク [N・m]] 27.9 [定格回転速度 (r/min)] 3000 [最大回転速度 [r/min]] 4500 [瞬時許容回転速度 [r/min]] 5175 [連続定格トルク時のパワーレート [kW/s]] 105 [定格電流 [A]] 23 [最大電流 [A]] 58 [慣性モーメントJ [×10^-4 kg・m^2 ]] 11.8 [推奨負荷慣性モーメント比] 5倍以下 [速度・位置検出器] 絶対位置・インクリメンタル共用22ビットエンコーダ              (サーボモータ1回転あたりの分解能: 4194304pulses/rev) [オイルシール] 付き [耐熱クラス] 155 (F) [構造] 全閉自冷 (保護等級: IP65) [環境]  周囲温度 0゜C〜40゜C (凍結のないこと)、保存: -15゜C〜70゜C (凍結のないこと)  周囲湿度 80%RH以下 (結露のないこと)、保存: 90%RH以下 (結露のないこと)  雰囲気 屋内 (直射日光が当たらないこと) 、腐食性ガス・引火性ガス・オイルミスト・塵埃のないこと  標高 海抜1000m以下  振動 X: 24.5m/s^2 Y: 24.5m/s^2 [振動階級] V10 [海外準拠規格]  CEマーキング LVD: EN 60034-1, EN60034-5 EMC: EN 60034-1  UL規格 UL 1004-1, UL 1004-6  CSA規格 CSA C22.2 No.100 [軸の許容荷重]  L 63  ラジアル 980  スラスト 392 [質量 [kg]] 15 [電磁ブレーキ仕様]  形式 無励磁作動形 (スプリング制動) 安全ブレーキ  定格電圧 DC24V +0% -10%  消費電力 [W] at 20゜C 23  電磁ブレーキ静摩擦トルク [N・m] 17  許容制動仕事量  ・1制動あたり [J] 400  ・1時間あたり [J] 4000  電磁ブレーキ寿命  ・回数 [回] 20000  ・1制動の仕事量 [J] 200 制約事項 ●推奨負荷慣性モーメント比:サーボモータの慣性モーメントに対する負荷慣性モーメントの比率です。

●構造:軸貫通部を除きます。

軸貫通部の詳細についてはMELSERVO-J4カタログの「回転型サーボモータ仕様の注釈について」を参照してください。

●連続特性、定格トルク:昇降軸のようにアンバランストルクが発生する機械では、アンバランストルクが定格トルクの70%以下で使用することを推奨します。

●電源設備容量[kVA]、回生ブレーキ頻度、環境条件、環境条件の振動、軸の許容荷重、振動階級については、MELSERVO-J4カタログの「回転型サーボモータ仕様の注釈について」を参照してください。

●電磁ブレーキ仕様:電磁ブレーキは保持用です。

制動用途には使用できません。

●電磁ブレーキ寿命:ブレーキギャップは調整できませんので、制動により再調整が必要になるまでの期間を電磁ブレーキ寿命としています。

  • 商品価格:218,328円
  • レビュー件数:0件
  • レビュー平均:0.0(5点満点)

楽天で購入

トップページへ

モーメント 関連ツイート


TOP