トップページへ

三菱電機 HG-JR22K1M サーボモータ HG-JR 1500r/minシリーズ 200Vクラス 低慣性・大容量 定格出力容量 22kW 慣性モーメント 489J NN

   

 


 

 


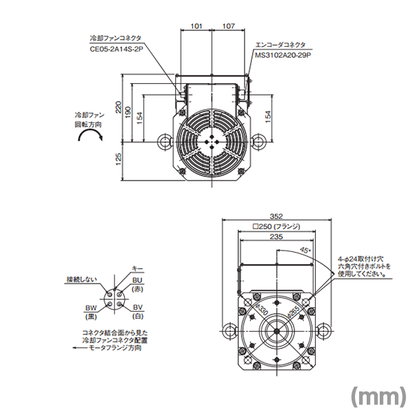
[製品シリーズ] HG-JR 1500r/minシリーズ(低慣性・大容量) [タイプ] サーボモータ(低慣性・大容量) 電磁ブレーキなし [製品形名] HG-JR22K1M [対応サーボアンプ(全機種)]  MR-J4-15KB-RJ010  MR-J4-22KA  MR-J4-22KA-RJ  MR-J4-22KB  MR-J4-22KB-RJ [電源設備容量 [kVA]] 33 [連続特性]  定格出力容量 (kW) 22  定格トルク [N・m] 140 [最大トルク [N・m]] 420 [定格回転速度 (r/min)] 1500 [最大回転速度 [r/min]] 2500 [瞬時許容回転速度 [r/min]] 2875 [連続定格トルク時のパワーレート [kW/s]] 401 [定格電流 [A]] 99 [最大電流 [A]] 315 [回生ブレーキ頻度]  MR-J4- [回/分] 104 [慣性モーメントJ [×10^-4 kg・m^2 ]] 489 [推奨負荷慣性モーメント比] 10倍以下 [速度・位置検出器] 絶対位置・インクリメンタル共用22ビットエンコーダ              (サーボモータ1回転あたりの分解能: 4194304pulses/rev) [オイルシール] 付き [耐熱クラス] 155 (F) [構造] 全閉強冷(保護等級: IP44) [環境]  周囲温度 0゜C〜40゜C (凍結のないこと)、保存: -15゜C〜70゜C (凍結のないこと)  周囲湿度 80%RH以下 (結露のないこと)、保存: 90%RH以下 (結露のないこと)  雰囲気 屋内 (直射日光が当たらないこと) 、腐食性ガス・引火性ガス・オイルミスト・塵埃のないこと  標高 海抜1000m以下  振動 X: 24.5m/s^2 Y: 24.5m/s^2 [振動階級] V10 [海外準拠規格]  CEマーキング LVD: EN 60034-1, EN60034-5 EMC: EN 60034-1  UL規格 UL 1004-1, UL 1004-6  CSA規格 CSA C22.2 No.100 [軸の許容荷重]  L 140  ラジアル 3234  スラスト 1470 [質量 [kg]] 120 [冷却ファン]  電源  ・電圧・周波数 三相AC200 V〜230 V,50 Hz/60 Hz  ・入力 [W] 60 (50 Hz)/80 (60 Hz)  定格電流 [A] 0.20 (50 Hz)/0.27 (60 Hz) 制約事項 ●推奨負荷慣性モーメント比:サーボモータの慣性モーメントに対する負荷慣性モーメントの比率です。

●構造:軸貫通部を除きます。

軸貫通部の詳細についてはMELSERVO-J4カタログの「回転型サーボモータ仕様の注釈について」を参照してください。

●連続特性、定格出力 [kW]:昇降軸のようにアンバランストルクが発生する機械では、アンバランストルクが定格トルクの70%以下で使用することを推奨します。

●回生ブレーキ頻度、MR-J4- [回/分]:標準付属品のGRZG400-_Ωを使用し、冷却ファン (1.0 m^3 /min以上、92 mm角 × 2台) を設置した場合の値です。

また、 [Pr. PA02] の変更が必要です。

●電源設備容量[kVA]、回生ブレーキ頻度、環境条件、環境条件の振動、軸の許容荷重、振動階級については、MELSERVO-J4カタログの「回転型サーボモータ仕様の注釈について」を参照してください。

※ ご注意 ・この商品は取寄となりますので、返品を承る事は出来ません。

・高重量の商品となりますので商品受け入れのご準備をお願いします。

・重量があるためメーカーから直送となります。

・当社からの出荷ではないため代金引換(代引)がご利用いただけません。

・また他の商品の同梱は承ることができません。

  • 商品価格:871,418円
  • レビュー件数:0件
  • レビュー平均:0.0(5点満点)

楽天で購入

トップページへ

モーメント 関連ツイート


TOP